[MacBook Air A1466 820-00165] Réparation du rétroéclairage
- David Lecomte

- May 25, 2021
- 6 min read
Updated: Aug 31, 2021

Nous recevons aujourd'hui un MacBook Air de début 2017, modèle A1466, numéro de carte-mère 820-00165. C'était le dernier modèle avant les MacBook Air Retina : cela reste une bonne machine, relativement récente.
Extérieurement, il est comme neuf : pas la moindre rayure ou égratignure.

L'appareil s'allume et démarre. Mais il n'y a pas de rétroéclairage.
Pour prendre la photo, on a mis le MacBook dos à la fenêtre et on a laissé la lumière du jour jouer le rôle du rétroéclairage : on peut voir qu'il y a une image.
La première variable à écarter est l'écran : on essaie un autre écran, dont on sait qu'il fonctionne. Et le résultat est le même : pas de rétroéclairage. On a donc bien un problème de carte-mère. Heureusement pour nous : changer un écran, ce n'est pas passionnant. Réparer un problème sur une carte-mère, ça l'est bien plus.
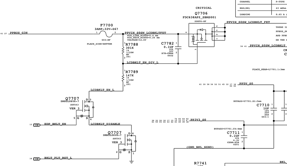
On sait qu'il y a une image : cela veut dire que l'écran est correctement détecté par la carte-mère. Et on sait, d'après notre connaissance du fonctionnement de ces appareils, que si la carte détecte l'écran, alors elle doit lui envoyer la bonne tension pour allumer le rétroéclairage. La première chose à faire est donc de regarder, au niveau du connecteur d'écran, si cette tension est présente.

Cette tension est PPHV_S0SW_LCDBKLT (HV comme "High Voltage"), qui peut être mesurée sur les pins 3 et 4 du connecteur d'écran. On s'assure qu'il n'y a pas de danger à mesurer à cet endroit : les pins 2 et 5 sont NC ("Not Connected"), donc si on les touche malencontreusement avec l'électrode du multimètre en même temps qu'on touche 3 ou 4, on ne va rien griller. Résultat de la mesure : PPHV_S0SW_LCDBKLT = 0V.
Deux possibilités : soit cette tension n'est pas créée ; ou bien C8317 est grillé et crée un court-circuit à la masse. On vérifie tout de suite que ce n'est pas le cas : on coupe l'alimentation, débranche la batterie, et on mesure la résistance aux bornes de C8317. Elle est loin d'être 0.
C'est donc que PPHV_S0SW_LCDBKLT n'est pas créé. On cherche donc comment est engendrée cette tension.

C'est PPVIN_S0SW_LCDBKLT qui est est boosté par L7701, avec l'aide de U7701, et qui devient l'alimentation du rétroéclairage. La diode D7701 est là pour protéger ce qui se trouve avant elle, au cas où, pour une raison quelconque, le courant décidait de repartir en arrière.
Comme on a mesuré une résistance non-nulle à la masse sur PPHV_S0SW_LCDBKLT, on est sûr que C7796, C7797, C7799 ne sont pas grillés : ils ne sont pas la cause du problème. En revanche, la diode D7701 pourrait être morte, et le circuit serait alors ouvert à cet endroit. On la teste : elle n'est pas morte. Passante dans un sens, non passante dans l'autre.
L'inductance L7701 est aussi testée en bon état. Et on s'assure que PPVIN_S0SW_LCDBKLT n'est pas en court-circuit à la masse : C7712, C7713 sont bons, et les pins SW_0 et SW_1 de U7701 sont bons.
Comme tous les composants sont bons sur cette ligne, le fait qu'on ait 0V sur PPHV_S0SW_LCDBKLT nous dit que PPVIN_S0SW_LCDBKLT est aussi 0V. On n'a pas besoin de mesurer. Mais on le fait quand même, en rallumant la machine : c'est confirmé. On doit maintenant chercher pour quelle raison, en cherchant d'où vient cette tension.

C'est en fait PPBUS_G3H qui devient notre tension d'alimentation du rétroéclairage. On mesure des deux côtés du fusible F7700 : on a bien 8.6V pour PPBUS_G3H ; mais on a 0V de l'autre côté du fusible. A-ha !
Il n'y a aucune chance que le côté droit du fusible soit court-circuité à la masse : on a deux résistances et deux Mosfets entre F7700 et la masse. Impossible qu'ils se comportent tous comme un fil. C'est donc F7700 qui est mort.
On éteint la machine, on débranche l'alimentation et on mesure en effet aux bornes de F7700 : résistance infinie.
Il suffit de changer le fusible, non ? Pas vraiment : le fusible a sauté pour une raison. Cette raison, c'est que le courant qui l'a traversé était trop important. Autrement dit, il y a eu, à un moment un court-circuit à la masse sur PPVIN_S0SW_LCDBKLT. Si ce court-circuit est toujours présent, qu'on remplace F7700, et qu'on rallume la machine... mêmes causes, mêmes effets, le nouveau F7700 va sauter.
Donc avant de le remplacer, on s'assure que la résistance à la masse à droite de F7700 est non nulle : on mesure plusieurs kilo-Ohms. Le court-circuit qui l'a grillé n'est plus là, on peut donc le remplacer.
Après remplacement, on rallume la machine. Toujours pas de rétroéclairage. Mais il y a du progrès : on a maintenant PPHV_S0SW_LCDBKLT = 20V. C'est insuffisant cependant : d'expérience, lorsqu'il y a un écran qui marche derrière, cette tension est entre 24V et 28V.
Alors, oui, le diagramme électrique indique 50V : c'est effectivement la tension qu'on doit avoir s'il n'y a pas d'image à afficher (écran blanc), avec l'intensité lumineuse au maximum. Mais pour afficher une image "moyenne", la tension est généralement entre 24V et 28V. Par exemple, quand vous allumez votre MacBook Air, vous entendez le "Bong" et l'écran est blanc pendant 1 ou 2s. Si vous mesurez PPHV_S0SW_LCDBKLT à ce moment là exactement, vous aurez brièvement les 50V. Puis la tension redescendra, en fonction de la luminosité choisie, et de ce qu'il faut afficher.
Mais bon. Nous on n'a que 20V. C'est donc que le boost de PPVIN_S0SW_LCDBKLT ne se fait pas correctement. Notre attention se tourne donc vers U7701 et son fonctionnement.

Pour sortir notre alimentation pour le rétroéclairage, U7701 a besoin :
* de son alimentation : PP5V_S0 et PP3V3_S0. On les a déjà mesurés, ils sont bons.
* de son signal d'allumage : BKL_EN, qui arrive directement du CPU. On mesure 3.3V, il est là.
* que la luminosité ne soit pas à 0. Celle-ci est indiquée par BKL_PWM. On le mesure à 2.8V. L'important, c'est qu'il n'est pas 0. La luminosité n'est donc pas réglée à 0.
À ce stade, la conclusion naturelle est : U7701 est probablement défectueux. Et en regardant sous le microscope, on n'a plus aucun doute.

On voit bien des restes de liquide sur le CD3211, une puce qui n'a rien à voir avec le rétroéclairage, mais qui est juste à côté de U7701, qui a l'air d'avoir pris feu.
On est donc en mesure de comprendre pourquoi ce MacBook Air n'a plus de rétroéclairage. Il a pris l'eau, U7701 s'est retrouvé en court-circuit à la masse. Cela a eu pour effet de l'endommager ; mais aussi de tirer un courant suffisamment important pour griller le fusible F7700.
On s'attend donc à ce que tout marche après avoir remplacé U7701. Mais on est en France, rien n'est simple : impossible de trouver cette puce (ou d'autres composants électroniques de base) dans ce pays. On peut l'acheter 2€ de Chine (livraison en 20 jours, port offert), ou 3€ aux USA (livraison en 2 jours, 20€ de port), ou 7€ en Allemage (livraison en 10 jours, 7€ de port). On choisit la 3è option. Bonne surprise, la puce nous arrive en 5 jours. On dé-soude l'ancienne, soude la nouvelle. On rebranche tout. Et...

On espère que c'est le résultat qu'attendait le propriétaire, qui a récupéré un MacBook qui fonctionne pour 99€.
Et évidemment, l'histoire est la même que d'habitude : tout le monde lui a dit que l'appareil est mort et qu'il faut le remplacer.
Une dernière remarque, car on s'attend évidemment à des remarques du type : "Moi j'aurais changé U7701 dès le début, affaire réglée, au lieu de perdre des heures en diagnostic."
Ce cas illustre notre méthodologie. Nous analysons les pannes, pour comprendre leur cause, et les résoudre. Certaines personnes regarderont une vidéo Youtube où quelqu'un répare un problème de rétroéclairage en changeant U7701, donc il imitera. Et dans ce cas particulier, il aura, par chance, réparé la panne (notez que les 5 jours pour recevoir la puce sont incompressibles, vu qu'elle n'est pas trouvable en France).
Nous avons peut-être passé deux heures à diagnostiquer la panne, mais nous sommes sûrs, au moins, du problème. De manière générale, nous menons toutes les réparations comme celle-ci : il y a une méthodologie à suivre, et nous ne voulons pas remplacer à l'aveugle des composants parce que quelqu'un sur Internet a résolu son problème particulier à lui de cette manière-là. Chaque remplacement de composant, chaque intervention de l'opérateur, introduit une variable supplémentaire dans l'équation.

![[Important battery message] Transfert de BMS au fer à souder](https://static.wixstatic.com/media/e08da6_1c65bbae397146b7809b9b4bc8e272df~mv2.jpg/v1/fill/w_700,h_1020,al_c,q_85,enc_avif,quality_auto/e08da6_1c65bbae397146b7809b9b4bc8e272df~mv2.jpg)
![[iPhone12] Référence des résistances aux connecteurs](https://static.wixstatic.com/media/e08da6_62c59265a5144cf2b95cac62c6bdb462~mv2.jpg/v1/fill/w_980,h_735,al_c,q_85,usm_0.66_1.00_0.01,enc_avif,quality_auto/e08da6_62c59265a5144cf2b95cac62c6bdb462~mv2.jpg)
![[iPhone X] Références pour le diagnostic de FaceID](https://static.wixstatic.com/media/e08da6_24d55f34fae5424b87485288b13e1c33~mv2.jpg/v1/fill/w_620,h_325,al_c,q_80,enc_avif,quality_auto/e08da6_24d55f34fae5424b87485288b13e1c33~mv2.jpg)
Comments